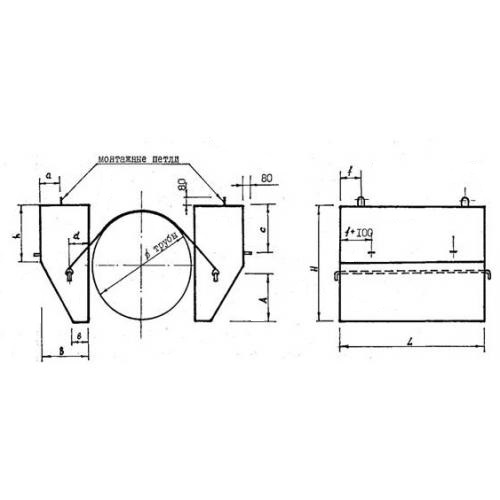
УБО 530 утяжелители охватывающего типа

Чертеж изделия:
Характеристики изделия:
ПараметрЗначение
длина1000 мм
ширина300 мм
высота700 мм
масса828 кг
нормативный документВСН 007-88

УБО 530 Утяжелители бетонные охватывающего типа ВСН 007-88.