СБН 10.25.3.0

Чертеж изделия:
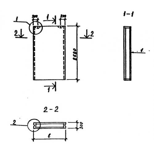
Характеристики изделия:
ПараметрЗначение
длина980 мм
ширина300 мм
высота2520 мм
вес590 кг
серияТП 213-2-183

СБН 10.25.3.0 Стеновые блоки наружные по проекту ТП 213-2-183.