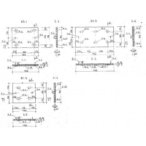
ВП-2 плиты вентшахт

Чертеж изделия:
Характеристики изделия:
ПараметрЗначение
длина1050 мм
ширина900 мм
высота60 мм
масса143 кг
нормативный документСерия Б1.134.1-7

ВП-2  Крышные плиты системы воздухообмена по Серии Б1.134.1-7.