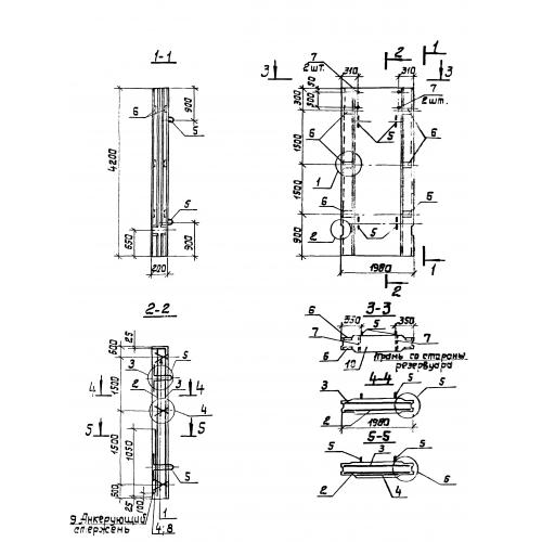
ПГ 42

Чертеж изделия:
Характеристики изделия:
ПараметрЗначение
длина1980 мм
ширина200 мм
высота4200 мм
вес3900 кг
серия3.902.1-12

ПГ 42 Панели перегородочные по серии 3.902.1-12.