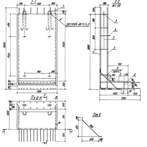
СБ-25

Чертеж изделия:
Характеристики изделия:
ПараметрЗначение
длина1500 мм
ширина1500 мм
высота3030 мм
масса3900 кг
нормативный документСерия 3.820.1-29

СБ-25 Стеновые блоки по Серии 3.820.1-29.