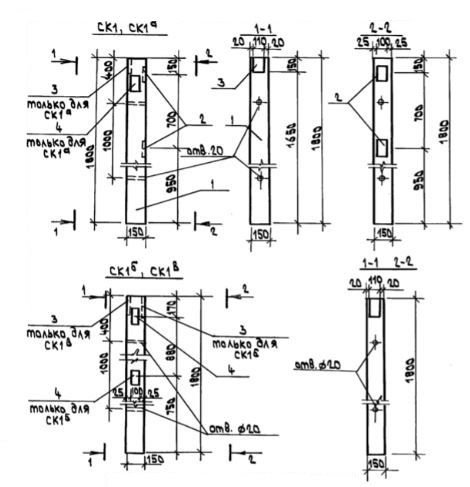
СК 1

Чертеж изделия:
Характеристики изделия:
ПараметрЗначение
длина1800 мм
ширина150 мм
высота150 мм
масса102 кг
нормативный документСерия 3.818.9-2

СК 1  Стойки ограждения Серия 3.818.9-2.