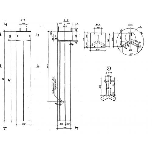
ФТС 3.5 фундамент

Чертеж изделия:
Характеристики изделия:
ПараметрЗначение
длина3500 мм
ширина670 мм
высота670 мм
масса1200 кг
нормативный документСерия 3.501.1-130

ФТС 3.5 Фундаменты трехлучевые северные по Серии 3.501.1-130.