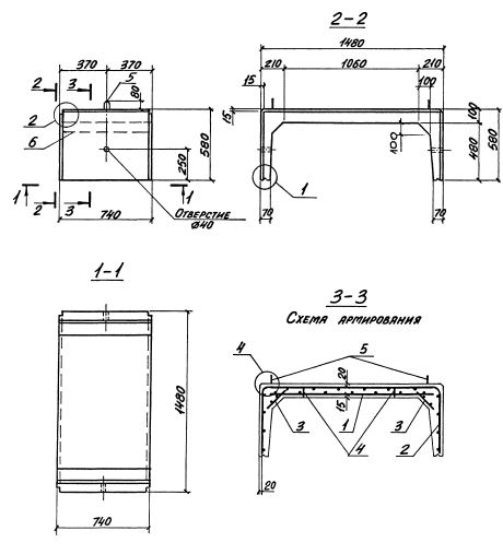
ЛК 75.150.60 лотки

Чертеж изделия:
Характеристики изделия:
ПараметрЗначение
длина740 мм
ширина1480 мм
высота580 мм
масса430 кг
нормативный документСерия 3.006.1-8

ЛК 75.150.60 Лотки каналов Серия 3.006.1-8.