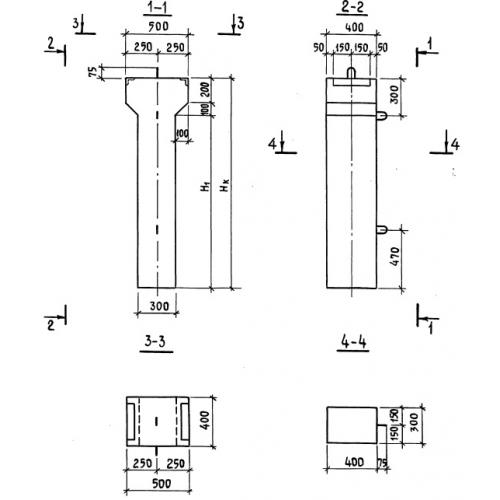
К 24

Чертеж изделия:
Характеристики изделия:
ПараметрЗначение
длина1690 мм
ширина500 мм
высота400 мм
масса550 кг
нормативный документСерия 3.006.1-3/83

К 24 Колонны тоннелей Серия 3.006.1-3/83.