П 16

Чертеж изделия:
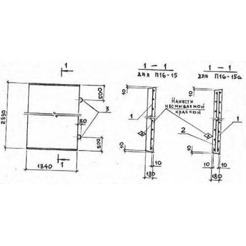
Характеристики изделия:
ПараметрЗначение
длина2990 мм
ширина1840 мм
высота180 мм
масса2480 кг
нормативный документСерия 3.006.1-2/82

П 16  Плиты перекрытия лотков Серия 3.006.1-2/82.