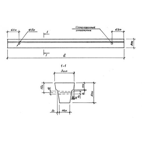
2БФ 6

Чертеж изделия:
Характеристики изделия:
ПараметрЗначение
длина5950 мм
ширина300 мм
высота300 мм
вес1000 кг
серия1.815.1-1

2БФ 6 Балки фундаментные по серии 1.815.1-1.