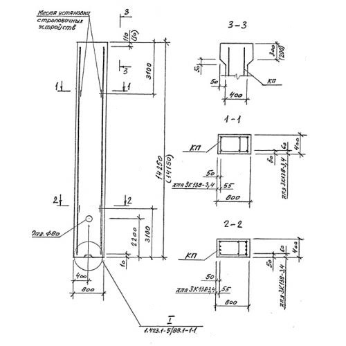
3К 138 колонны

Чертеж изделия:
Характеристики изделия:
ПараметрЗначение
длина14250 мм
ширина800 мм
высота400 мм
масса11500 кг
нормативный документСерия 1.423.1-5/88

3К 138 Колонны  Серия 1.423.1-5/88.