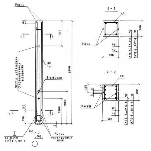
К 72 колонны

Чертеж изделия:
Характеристики изделия:
ПараметрЗначение
длина8100 мм
ширина500 мм
высота500 мм
масса5100 кг
нормативный документСерия 1.423-3

К 72  Колонны Серия 1.423-3.