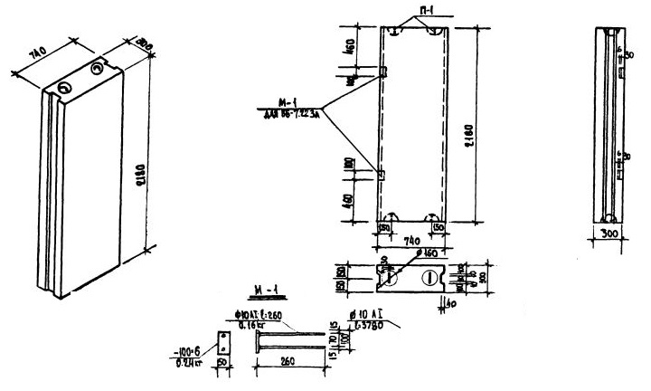
ВБ-7.22.3л

Чертеж изделия:
Характеристики изделия:
ПараметрЗначение
Длина740 мм
Ширина300 мм
Высота2180 кг
Масса842 кг
Нормативный документСерия 1.134-1

ВБ-7.22.3л   Блоки внутренних стен вертикальные по Серии 1.134-1.