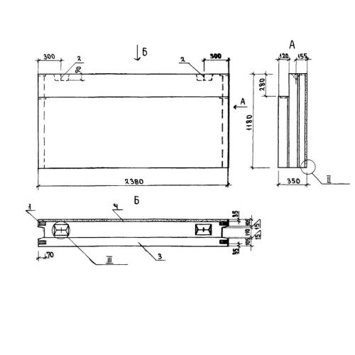
7БН 24.12.35

Чертеж изделия:
Характеристики изделия:
ПараметрЗначение
длина2380 мм
ширина350 мм
высота1180 мм
вес1370 кг
серия1.133.1-7

7БН 24.12.35 Блоки цокольные по серии 1.133.1-7.