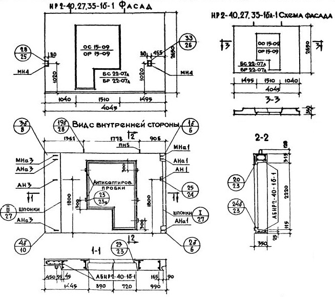
НР2-40.27.35-1бл-1

Чертеж изделия:
Характеристики изделия:
ПараметрЗначение
Длина4045 мм
Ширина350 мм
Высота2650 мм
Масса3780 кг
Нормативный документСерия 1.132-1

НР2-40.27.35-1бл-1   Наружная стеновая панель рядовая по Серии 1.132-1.