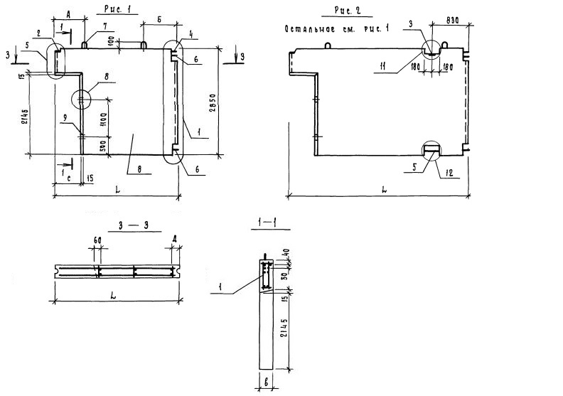
2ПСВ 70-29-12-2т-3
Характеристики изделия:
| Параметр | Значение |
|---|---|
| длина | 7030 мм |
| ширина | 120 мм |
| высота | 2850 мм |
| масса | 4900 кг |
| нормативный документ | Серия 1.131.1-25 |
Цена:
Рассчитать стоимостьСерия 1.131.1-25
Маркировка:
1. 2 – группа панелей;
2. ПСВ – (буквенное обозначение панели) Панель стеновая внутренняя;
3. 70 – длина (в дм);
4. 29 – высота (в дм);
5. 12 – толщина (в см);
6. 2 – несущая способность;
7. т – бетон тяжелый;
8. 3 – тип проема.