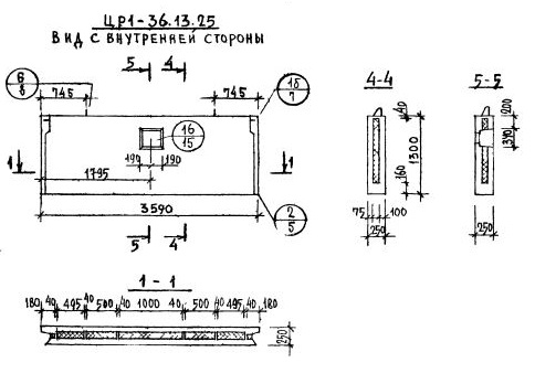
ЦР1-36.13.25

Чертеж изделия:
Характеристики изделия:
ПараметрЗначение
длина3590 мм
ширина250 мм
высота1300 мм
масса2170 кг
нормативный документСерия 1.117-9

Серия 1.117-9    Панели групп ЦР1, ЦР2, ЦР4, ЦР5  толщиной 250 мм.

Ц - наружная цокольная стеновая панель;

Р1 - группа изделия- рядовая, группа 1;

Числа после тире характеризуют геометрические размеры цокольной панели (длина, высота - в дециметрах с округлением, толщина - в см).

В несимметричных изделиях правая панель маркировки не имеет, в маркировке "левой" панели проставляется буква "л".