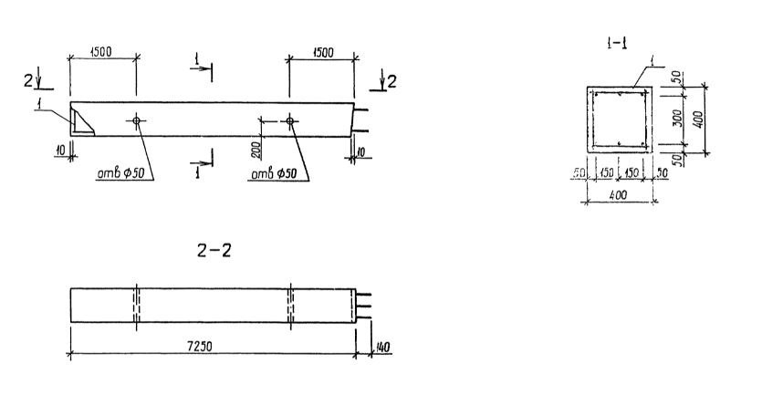
БО 73.4

Чертеж изделия:
Характеристики изделия:
ПараметрЗначение
длина7390 мм
ширина400 мм
высота400 мм
масса3370 кг
нормативный документСерия 1.020.1-3пв

БО 73.4  Балки обвязочные Серия 1.020.1-3пв.