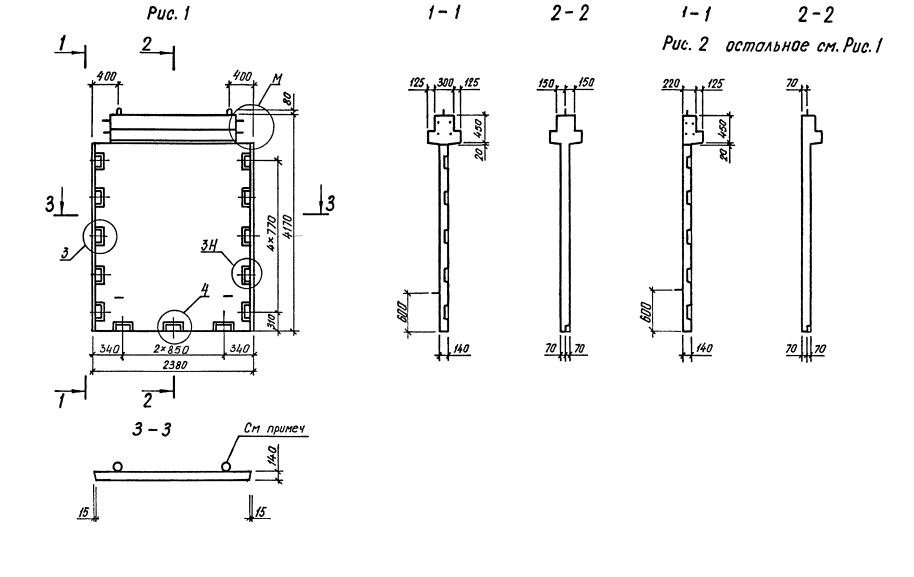
2Д 24.42

Чертеж изделия:
Характеристики изделия:
ПараметрЗначение
длина2380 мм
ширина550 мм
высота4170 мм
масса3970 кг
нормативный документСерия 1.020.1-3пв

2Д 24.42  Диафрагмы жесткости с двумя полками Серия 1.020.1-3пв.