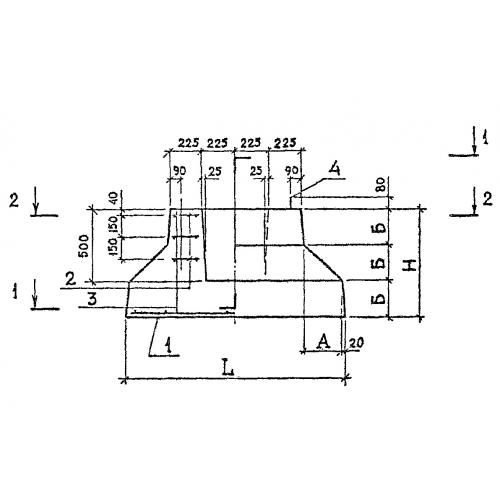
1Ф 15.8 фундаменты под колонну

Чертеж изделия:
Характеристики изделия:
ПараметрЗначение
длина1500 мм
ширина1500 мм
высота750 мм
масса2500 кг
нормативный документСерия 1.020-1/83

1Ф 15.8  Фундаменты цельные под колонны Серия 1.020-1/83.