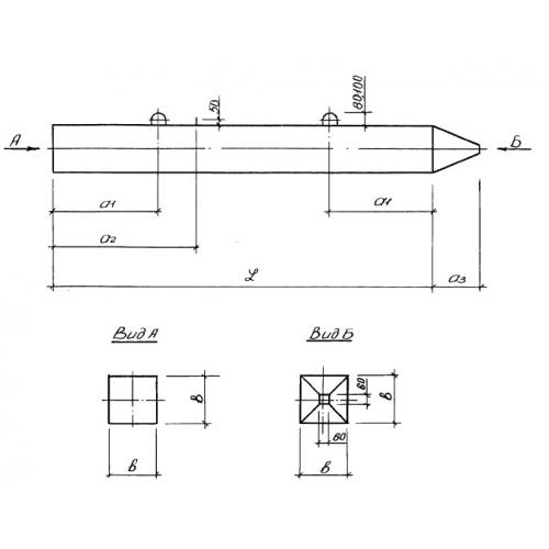
С 40.30

Чертеж изделия:
Характеристики изделия:
ПараметрЗначение
длина4000 мм
ширина300 мм
высота300 мм
масса930 кг
нормативный документСерия 1.011.1-10

С 40.30  Сваи общестроительные квадратного сплошного сечения Серия 1.011.1-10.