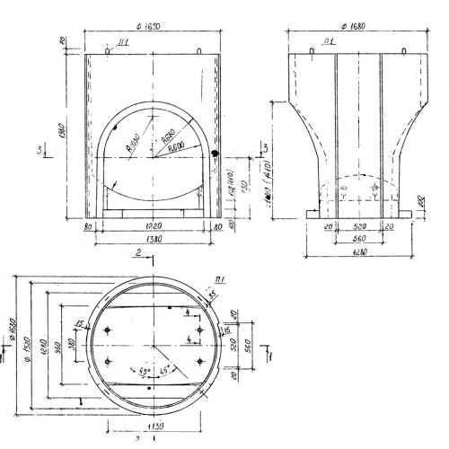
ВС 15 рабочие камеры водосточных колодцев

Чертеж изделия:
Характеристики изделия:
ПараметрЗначение
длина1680 мм
ширина1680 мм
высота1980 мм
масса2560 кг
нормативный документАльбом РК 2201-82

ВС 15  Рабочие камеры водосточных колодцев Альбом РК 2201-82.