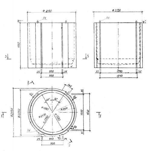
ВГ 20 рабочие камеры водопроводно-газовых колодцев

Чертеж изделия:
Характеристики изделия:
ПараметрЗначение
длина2150 мм
ширина2150 мм
высота1980 мм
масса4120 кг
нормативный документАльбом РК 2201-82

ВГ 20  Рабочие камеры водопроводных и газопроводных колодцев Альбом РК 2201-82.