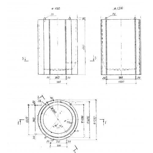
ВГ 12 рабочие камеры водопроводно-газовых колодцев

Чертеж изделия:
Характеристики изделия:
ПараметрЗначение
длина1410 мм
ширина1410 мм
высота1980 мм
масса2050 кг
нормативный документАльбом РК 2201-82

ВГ 12  Рабочие камеры водопроводных и газопроводных колодцев Альбом РК 2201-82.