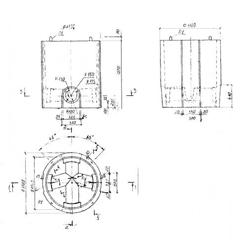
ДК 10 рабочие камеры канализационных колодцев

Чертеж изделия:
Характеристики изделия:
ПараметрЗначение
длина1160 мм
ширина1160 мм
высота1270 мм
масса1230 кг
нормативный документАльбом РК 2201-82

ДК 10  Рабочие камеры дворовой канализации Альбом РК 2201-82.